Hunan Powerdrills Rock Machinery Co., Ltd. Hunan Powerdrills Rock Machinery Co., Ltd.
  • 
  • Accueil
  • Produits+
    • Outils de Forage Rocheux
    • Foreuses
    • Compresseurs d’Air
  • Applications
  • Qui sommes-nous ?
  • Contactez-nous
Outils de Forage Rocheux
  • Accueil
  • Produits
  • Outils de Forage Rocheux
  • Systèmes du Tubage à l’Avancement
  • Sabots de Tubage
Outils de Forage Rocheux
Sabots de Tubage
  • Sabots de Tubage
  • Sabots de Tubage
  • Sabots de Tubage
  • Sabots de Tubage

Sabots de Tubage

Les sabots de tubage sont conçus pour les opérations de forage avec tubage afin de stabiliser les parois du trou en pieux de fondation et en puits d’eau. Fabriqués en acier allié à faible teneur en carbone, usinés avec précision et traités thermiquement, ils offrent une résistance élevée et une forte tenue à l’usure.

Formulaire de demande
Téléchargements
Applications typiques

Largement utilisés dans les opérations de forage avec tubage pour la stabilisation des parois.

Pieux de fondation
Pieux de fondation
Forage de puits d’eau
Forage de puits d’eau
Spécifications techniques

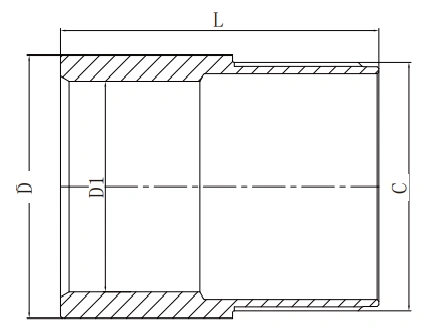
Sabots de tubage filetés

Sabots de tubage filetés
Ø extérieur du tube de tubage, mm Ø extérieur du sabot, mm Ø intérieur min. du sabot, mm Épaisseur du tube, mm Poids, kg
D D1
108 108 86 7 2.4
114 114 91 6.5 3
127 127 99.5 9.5 3.3
146 146 117 10 4.4
168 168 138 10 6.2
178 178 148 10 7.5
183 183 153 10 8.6
194 194 162 10 8.8
219 219 187 10 12.8
245 245 210 10 13.5
273 273 241 10 15
La longueur (L) et le modèle de filetage (C) peuvent être personnalisés.

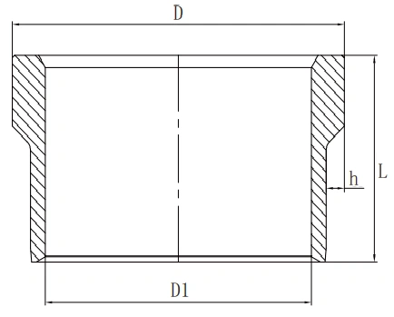
Sabots de tubage soudés

Sabots de tubage soudés
Ø extérieur du tube de tubage, mm Ø extérieur du sabot, mm Ø intérieur min. du sabot, mm Épaisseur du tube, mm Poids, kg
D D1 h
108 108 86 7 1.6
114 114 91 6.5 2.5
127 127 99.5 9.5 3
146 146 117 10 3.8
168 168 138 10 5
178 178 148 10 6
183 183 153 10 7.5
194 194 162 10 7.8
219 219 187 10 10
245 245 210 10 12
273 273 241 10 13.5
325 325 282 12.5 16
La longueur (L) peut être personnalisée.
Prêt à démarrer un projet

Prêt à démarrer un projet ?

Contactez nos experts par téléphone ou par e-mail pour trouver la solution de forage la mieux adaptée à vos besoins.

Dites-nous comment nous pouvons vous aider.

  • Outils de Forage Rocheux
      Outils de Forage Fond de Trou – Ø 2" à 20" Outils de Forage Fond de Trou Grand Diamètre - Ø 12" à 28" Outils de Forage pour Marteau Hors Trou Outils de Forage à Circulation Inverse Systèmes du Tubage à l’Avancement Outils de Forage Géotechnique Tiges de Forage Pétrolier & Adaptateurs Autres Pièces
  • Foreuses
  • Compresseurs d’Air
  • Produits relatifs
  • Autres produits
  • Tubes de Tubage pour Forage Géotechnique Tubes de Tubage pour Forage Géotechnique
  • Tiges de Forage Géotechnique Tiges de Forage Géotechnique
  • Taillants de Tubage pour Forage Géotechnique Taillants de Tubage pour Forage Géotechnique
  • Tiges de Forage pour Puits Pétrolier Tiges de Forage pour Puits Pétrolier
Plus
Foreuses
Foreuses Foreuses de surface modulaires pour mines, fondations et puits d’eau. Adaptées au DTH, à l’ancrage et aux pieux solaires, disponibles en versions diesel, électrique ou bi-énergie. Contactez-nous.
Compresseurs d’Air
Compresseurs d’Air Compresseurs d’air pour forage, mines et construction. Gamme incluant compresseurs diesel portables, électriques mobiles et compresseurs à vis électriques fixes, assurant une alimentation en air stable et efficace. Contactez-nous.
Vous ne trouvez pas le produit recherché ? Vous pouvez également consulter les produits par application.
Exploration géologique
Exploration géologique Exploration de ressources minérales, échantillonnage et analyse
Forage
Forage Puits d’eau, puits géothermiques, puits pétroliers, méthane de houille, gaz de schiste
Mines
Mines Open-pit blast holes, production drilling, underground mining
Construction de fondations
Construction de fondations Ponts, immeubles de grande hauteur, fondations sur pieux portuaires et maritimes
Quels paramètres sont nécessaires pour sélectionner un sabot de tubage ?

Les informations suivantes sont requises : le diamètre extérieur et l’épaisseur du tube de tubage, ainsi que les diamètres des grands et petits épaulements à l’interface entre le système de forage avec tubage et le sabot. Pour les sabots filetés, la spécification du filetage du tubage est également nécessaire.

Pourquoi existe-t-il une différence de prix importante entre les produits du marché ?

La différence dépend principalement de l’usinage de précision et du traitement thermique appliqués. Ces sabots sont fabriqués en acier allié à faible teneur en carbone de haute qualité et traités selon un procédé thermique maîtrisé, ce qui leur confère une résistance et une dureté supérieures aux exigences courantes du marché.

Expert en solutions complètes de forage rocheux

Grâce à de nombreuses années d’expérience internationale, nous proposons des outils de forage, foreuses et compresseurs parfaitement adaptés à vos projets les plus exigeants.

Produits
  • Outils de Forage Rocheux
  • Foreuses
  • Compresseurs d’Air
Applications
  • Mines
  • Forage
  • Exploration géologique
  • Construction de fondations
  • Projets hydrauliques & hydroélectriques
  • Infrastructures de transport
  • Stabilisation des talus & soutènement d’excavation
  • Travaux souterrains & génie civil
Contactez-nous
Berry
drillingtools1968@outlook.com
+86-18773189972
+86-18773189972